整流回路とオペアンプ増幅回路でWi-Fi電波を可視化してみる
次のページを参考に簡易電界強度計を作り、Wi-Fi 2.4GHzの電波強度をLEDで可視化してみる。
部品調達
- ブレッドボード(参考)
- ジャンパワイヤセット(参考)
- ショットキーバリアダイオード1N60×2(参考)
- 汎用オペアンプLM358AN×1(参考)
- LM358N(参考)は不可
- 1/4Wカーボン抵抗1kΩ×2、1MΩ×1(参考)
- 積層セラミックコンデンサ0.01μF×2(参考)
- 5mm高輝度LED×1(参考)
- 006P型9V電池および電池ケース(参考)
- アンテナ用すずメッキ線(針金、ジャンパワイヤでも可)
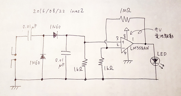
回路図
上のページで利用しているショットキーバリアダイオード1SS108は生産終了品になっているので、代わりに1N60を用い、次のような回路を作る。

上の回路は、アンテナに生じる交流電圧を倍電圧整流回路(左半分、動作イメージ)で直流にし、オペアンプによる非反転増幅回路(右半分、動作イメージ)で電圧を増幅する。
ここで、非反転増幅回路における増幅率は 1 + 1MΩ/1kΩ = 1001倍 である。
また、二つの回路の間にある抵抗は、オペアンプのプラス側とマイナス側に流れる電流の差(バイアス電流)を打ち消すためのものであり、その抵抗値は1kΩと1MΩの並列抵抗の値(約1kΩ)となる。
アンテナには、2.4GHz(波長12.49cm)で共振する、次のような半波長ダイポールアンテナを用いる。 ここでは、すずメッキ線を切って作ったが、針金やジャンパワイヤで作ってもよい。

また、LM358ANには二つのオペアンプが入っており、ピン配置は次のようになっている(データシートより引用)。

実際にブレッドボード上に作った回路の写真を次に示す。

Wi-Fi電波を可視化してみる
2.4GHz通信を有効にした無線ブロードバンドルータに近づけてみると、次の動画のようになる。
同じく2.4GHz帯の電波を利用する電子レンジに近づけてみると、次の動画のように、より強くLEDが光ることがわかる。